| Sign In | Join Free | My uabig.com |
|
Brand Name : LINK-PP
Model Number : LPJxxxxxxx
Certification : UL,ROHS,Reach,ISO
Place of Origin : GuangDong, China
MOQ : 50/500/1000
Price : OEM Price
Payment Terms : TT,NET30/60/90 Days
Supply Ability : 3000000/Month
Delivery Time : Stock
Packaging Details : Tray Package: 50 pcs in 1 tray,24tray in 1 carton, which is 32*30*31 , 8.5 KGS (1200pcs) of each carton
Original : JGL-0001NL
Equivalent : LPJxxxxxxx
Ethernet Aplly : 1000 BASE-T
Samples : Free Available
File : PDF/3D/ISG/Stp/Step/Datasheet/Touchstone Format/S-parameters
Lifecycle : More than 20Years
The JGL-0001NL supports speed 100/1000 Base-T, It can be used to support application, such as Smart Home, Monitoring System, hub and switches.
| LINK-PP Part Number | LPJXxxxxxx |
| Pulse Part Number | JGL-0001NL |
| Part Status | Active |
| Speed | 1000 BASE-T |
| Connector Type | Jack |
| Number of Positions/Contacts | 12p8c (RJ45, Ethernet) |
| Cores per Port | 8 |
| LED Option | GREEN/GREEN |
| Latch | Tab Up |
| Number of Ports | 1X2 PORT |
| PCB Mount Angle | SIDE ENTRY |
| Shield EMI Tabs | WITH |
| POE RATING | NON-POE |
| Temperature | 0 TO 70℃ |
| CONTACT MATING AREA PLATING | GOLD 50 U'' |
| PACKAGE HEIGHT MM | 11.30 |
| PACKAGE LENGTH MM | 26.06 |
| PACKAGE WIDTH MM | 34.65 |

JGL-0001NL Low Profile 1x2 Port RJ45 connector Mechanical Specification:
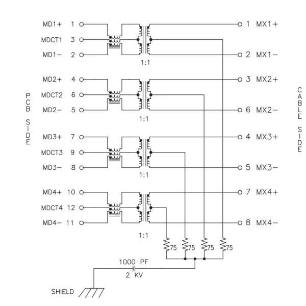
JGL-0001NL 1000 BASE-T Magnetic Jack Electrical Schematic:

JGL-0001NL RJ45 Magjack Description:
JGL-0001NL Features and Benefits:
RoHS peak wave solder temperature rating 260°C
Low height and small footprint to minimize board space
JGL-0001NL Electrical Performance Summary:
Meets IEEE 802.3 specification
350µH minimum OCL with 8mA bias current
High performance for maximum EMI suppression
JGL-0001NL Rj45 Magjack Similar Part Number :
| JGL-0001NL | JKM-0200NL | JK0-0229NL |
| JK0-8001NL | JGL-0001NL | J1V-U2100NL |
|
|
JGL-0001NL Low Profile 1x2 Port Gigabit 1000 BASE-T RJ45 Jack Tab Up GREEN/GREEN Led Images |